1997 Bmw 328i Wiring Diagram Z3 X3 E34 530i 328i M54 Schematic Vss 2jz E36 N52 Alternator Drac Wiringg Diesel E53 Database Buharman
97 bmw 328i wiring diagram images. [diagram] 97 bmw 318i engine diagram full version hd quality engine. Bmw 328i wiring diagram
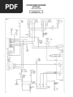
1997 bmw 328i wiring diagram
Download PDF
Bmw light 328i fuse tail lights switch bulbs bought recently 2009 trace able ground


1998 bmw 328i engine wiring diagram. 325i 325ci 530i 328i 328xi 325xi 1990 justanswer wrg. 328i e36 kardon harman coupe imageservice cloud bitters rear pomógł razy. 29 2007 bmw 328i engine diagram
97 Bmw 328I Wiring Diagram Images - Wiring Diagram Sample
Fuse Box In Bmw 328i - Wiring Diagram
[DIAGRAM] 97 Bmw 318i Engine Diagram FULL Version HD Quality Engine
1998 BMW E36 Electrical Wiring Diagram | Switch | Headlamp
BMW 328i 1997 E36 Workshop Manual (759 Pages), Page 630: ELE-138

Komentar
Posting Komentar